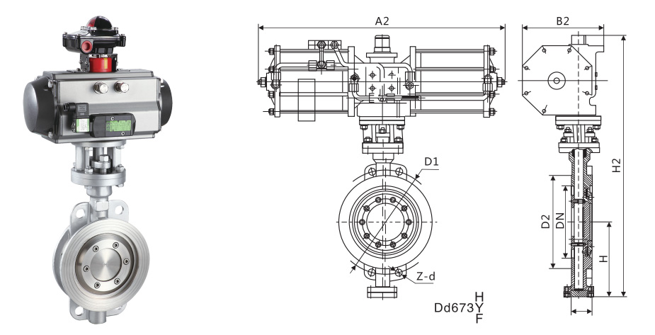
多层次硬密封蝶阀系列产品,系我公司新开发的长寿命,节能型蝶阀。其结构采用三维偏心原理设计,阀座采用硬密封兼容的多层次结构,加工精湛,工艺先进。本产品由阀体、蝶板、多层次阀座、阀杆、传动机构等主要部件组..
特点
由于本产品蝶阀采用的是三维偏心原理设计,使密封面的空间运动轨迹达到理想化,密封副相互之间无摩擦、无干涉,加之密封材料选择得当,从而使蝶阀的密封性、耐腐蚀性、耐高温性和耐磨性等得到了可靠的保证。其主要特点如下:1、开启力矩小,灵活方便,省力节能;
2、三维偏心结构,使蝶阀板越关越紧,其密封性能可靠,达到无泄漏;
3、耐高压、耐腐蚀、耐磨损、使用寿命长等。


