产品概述
我公司生产的气控快速启闭阀是具有自主知识产权的高科技机电气一体化产品。具有体积小、外形美观、安全可靠、运行寿命长,性能优良、安装使用维护方便等优点。
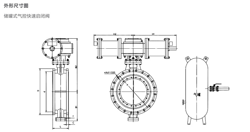
本系列产品传动..
产品概述
我公司生产的气控快速启闭阀是具有自主知识产权的高科技机电气一体化产品。具有体积小、外形美观、安全可靠、运行寿命长,性能优良、安装使用维护方便等优点。
本系列产品传动部分均为恒力臂的紧凑型齿轮齿条传动机构。产品根据工作环境的要求导致配套元件的不同,分为常规快速启闭阀和防爆快速启闭阀:根据紧急快速启闭时储能元件的不同又分为储气罐式和弹簧式两种不同的型式。执行器气缸尾部设有行缓冲装置,防止快速动作时的缸击及震动,有效保护阀门及设备安全运行。
储气罐式以钢制储气罐为紧急关阀动力源;正常工况下,压力气源通过电磁阀控制阀门的常速启闭,并在储气罐中储备有足够的压缩空气。弹簧式以压缩弹簧为紧急关阀动力源;正常工况下,压力气源通过电磁阀控制阀门的常速启闭,并压缩弹簧以储备能量。当系统出现危机工况时,电磁阀动作,储气罐中压力气源或压缩弹簧快速释放,控制主阀在0.2~0.8秒钟内实施紧急启闭,实现管路的可靠截止或导通,保护管道主机设备的安全。
常规快速启闭阀主要安装于汽轮机抽汽管、连通管及其他高安全等级管路。防爆快速启闭阀主要用于化工、冶金、能源管线、生物发电以及高炉煤气余压发电装置(TRT)进气管路等危险管道的紧急快关截止,或者在煤矿行业,防瓦斯等危险气体防爆的高危场所对设备快速关闭或打开。
防爆系列产品符合GB3836.1-2000《爆炸性气体环境用电器设备第1部分:通用要求》、GB3836.2-2000《爆炸性气体环境用电器设备第2部分:隔爆型“d”)、以及IEC79-7,BS4683、EN50018的规定。防爆标志为Exd1、ExdIAT4、ExdI1 BT4,Exd CT4适用于有爆炸性气体混合物存在的场所,在供货时未说明防爆等级均为ExdI1Bt4。


