法兰高性能蝶阀

法兰高性能蝶阀

产品简介

该系列高性能对央式蝶阀使用多种结构材料。包括符合NACE要求和抗磨蚀的。并可提供用于氯气、氧气、高真空和腐蚀生介质及低温环境的特殊阀门。
The series of hi..

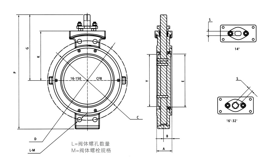
  • 产品参数
  • 该系列高性能对央式蝶阀使用多种结构材料。包括符合NACE要求和抗磨蚀的。并可提供用于氯气、氧气、高真空和腐蚀生介质及低温环境的特殊阀门。
    The series of high performance wafer type butterfly valves uses various structurematerials, including those that meet NACE requirements and anticorrosive materialsSpecial valves that can be used in chlorine, oxygen, high vacuum, corrosive mediaand cryogenic condition are also available.
    特点
    使用独特的动载密封PTFE阀座设计,弹性好,可靠性高;无须增加O形圈或金属部件来保持密封;
    ·唇缘式密结构可补偿温度和压力的化;
    使用寿命长,维修量小;
    密封试验,双向达到无气泡泄漏。
    *The unique dynamic load seal PTFE seat design is adopted with good elastictyand high reliability.
    *Sealing can be maintained without the need of adding O ring or metal part.*The lip type sealing structure can compensate for the changes oftemperatureand pressure.
    *Long service life and low maintenance.
    *.In seal test, there is no bubble and leakage at both directions.
    产品结构特征
    超高性能双偏心蝶阀。除常规阀门所适应的工况介质外根据不同的介质,选用了不同结构材料和特殊处理材料,还可用于深冷、蒸汽、氯气、氮气高真空、抗腐蚀等特殊工况。
    The uitra hioh perormance double-eccentic buterty yalve can be used inworkina conditions and media for which covenionalvalves are suitable, and adopts dierentstucture matellals and specla treaiment mateals accorcdina to dierent media.t an also be used inspecial working condions suchas anoganic condion. sieam. chlorineoxyqen,high vacuum,anticorrosive condition, etc.




声明:我公司全力支持关于《中华人民共和国广告法》实施的"极限化违禁词"相关规定,且已竭力规避使用相关"违禁词"等极限化词汇,如果还有"极限化违禁词"用在我公司网站内,我公司声明其全部失效。本声明在我公司网站的所有页面内均有效,所有访问我公司网站的人员、客户均表示默认此内容,不支持任何以"极限用语、极限词、广告违禁词"等为借口或理由来投诉我公司违反《中华人民共和国广告法》或《新广告法》等相关法律,以及以此来索要赔偿等的行为。感谢您的配合与支持,谢谢!